
15513281670/15203514297

VTA90K30 高精度空心角度传感器(单圈)
VTA90K30高精度空心角度传感器是一种一体化、扁平中空式、经济型、磁绝对角度传感器,采用维特森科技“磁-角度检测” 、“磁干扰屏蔽”及“本体加固”技术设 计。每个产品出厂都拥有独一无二的磁场标定数据,即使在振动、冲击、油污等恶劣的环境下也可实现对0~360°范围绝对角度位移数值的高可靠性测量。
型号规则

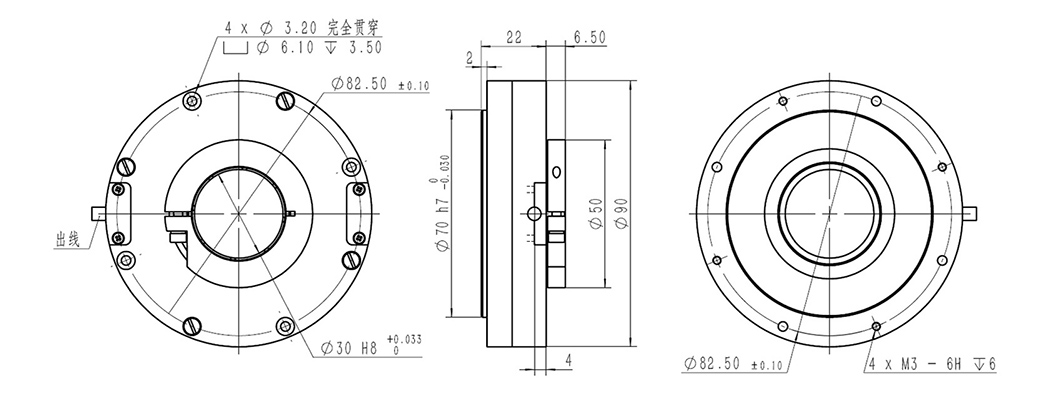
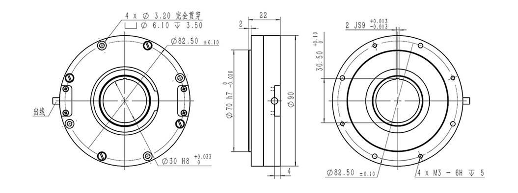
外形尺寸图

夹紧环连接

键连接
外观:
● 外形特征:中空式本体同步法兰,硬铝合金外壳。
● 转轴形式:同心轴通孔,夹紧环/键连接形式(二选一)。
● 安装方式:本体通孔螺丝紧固或加装安装支架紧固。
● 外壳颜色:黑色或其它定制颜色。
● 表面处理:喷砂氧化或喷漆。
● 出线方式:1m黑色8芯屏蔽电缆。
特点:
● 自主“磁阵列检测”技术(专利号:ZL201721106163.3),输出线性优异。
● 绝对角度输出, 即读即用,无累积误差。
● 非接触式测量,避免了使用过程中的磨损,使用寿命长,免维护。
● 串行通信,可实现多种通信协议,方便连接各种上位机设备。
● 宽工作电压,低消耗电流。
● 零位可设定,安装方便,无需找零。
● 2路可编程开关输出信号,能轻松实现行程限位及安全保护功能。
产品展示
![]()