
15513281670/15203514297

VTA54T12 单圈角度传感器
VTA54T12实心轴角度传感器是一种一体化、实心轴、单圈磁绝对角度传感器采用高性能智能集成磁敏感元件,每个产品出厂都拥 有独一无二的磁场标定数据,将机械转动或角位移转化为电信号输出,非接触测量。产品具有无触点、无噪声、高灵敏度、高重复性、接近无限转动寿命、高频响应特性好。环境适用性强,即使在振动、冲击、油污等恶劣的环境下也可实现对 0~180°检测范围绝对角度位移行程内的高可靠性测量。是替代光学编码器、旋转变压器、导电塑料电位器的理想产品。广泛应用于工业自动化的测量和监控系统,尤其适用于机械变化频繁,环境恶劣,要求传感器使用寿命长,可靠性高的场合。具体应用于航空、电子、机械、纺织、船舶、冶金等行业。
型号规则

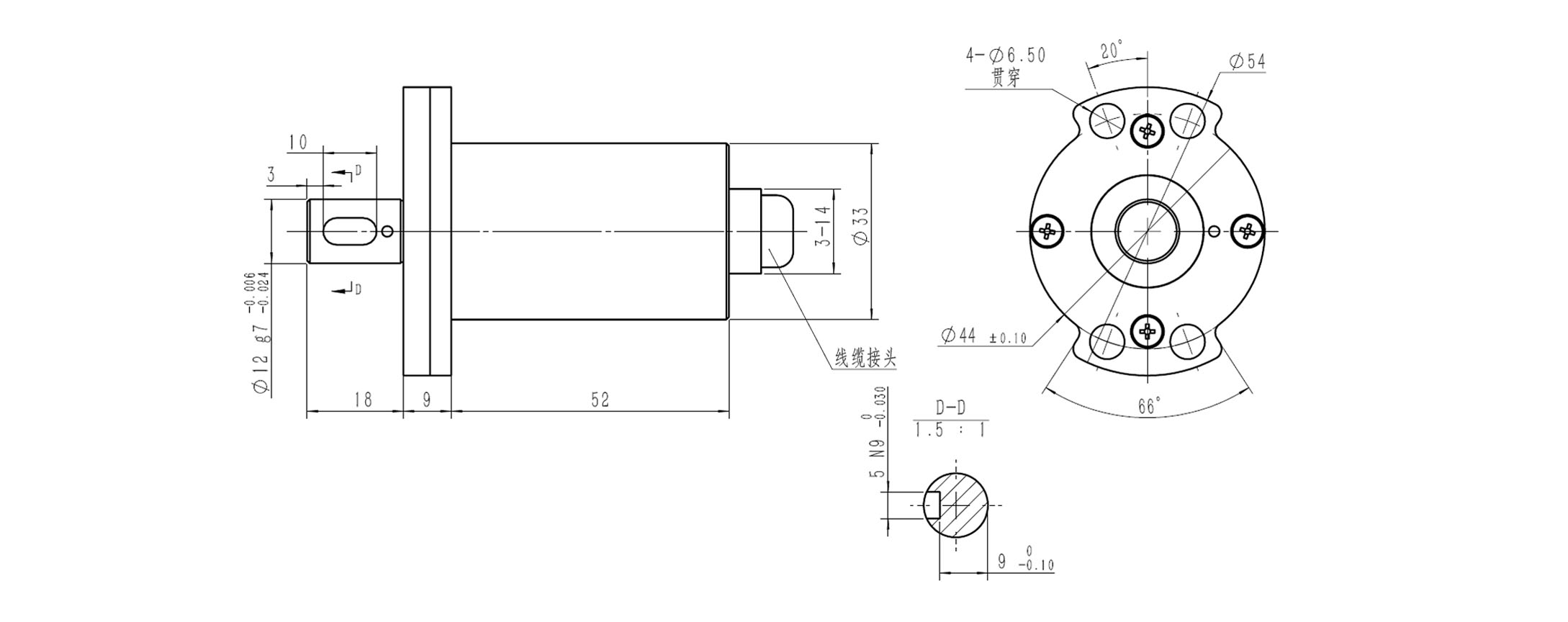
外形尺寸图
■ 测量范围:0~180°(可定制)
外观:
● 外形特征:同步法兰,硬合金铝外壳。
● 转轴形式:不锈钢实心轴,键槽连接。
● 外壳颜色:本色或其它定制颜色。
● 表面处理:喷砂氧化或喷漆。
● 出线方式:1m黑色屏蔽电缆。
特点:
● 自主“磁阵列检测”技术,输出线性优异。
● 绝对角度输出, 即读即用,无累积误差。
● 非接触式测量,避免了使用过程中的磨损,使用寿命长,免维护。
● 宽工作电压,低消耗电流。
● 零位可设定,安装方便,无需找零。
产品展示图: