
15513281670/15203514297

VTA70R12 单圈角度传感器
VTA70R12角度传感器是一种一体化、高精度、磁绝对角度传感器,采用维特森科技 “磁-角度位移检测” 、“磁干扰屏蔽”及“本体加固”技术设计。每个产品出厂都拥 有独一无二的磁场标定数据,即使在航空、船舶、兵器、汽车、工业等振动、冲击、油污的恶劣的环境下也可实现对0~360°范围绝对角度位移数值的高可靠性测量。维特森拥有从业13年磁编码器传感器技术研发团队,承接非标传感器编码器定制开发,自动化解决方案,欢迎来电咨询!
型号规则
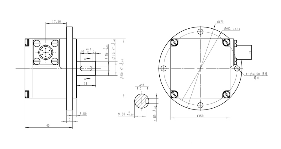
外形尺寸图
外观:
● 外形特征:同步法兰,硬合金铝外壳,密封双轴承结构。
● 转轴形式:不锈钢软轴,键连接。
● 外壳颜色:黑色或其它定制颜色。
● 表面处理:喷砂氧化或喷漆。
● 出线方式:航空插座。
特点:
● 自主“磁阵列检测”技术,输出线性优异。
● 绝对角度输出, 即读即用,无累积误差。
● 非接触式测量,避免了使用过程中的磨损,使用寿命长,免维护。
● 串行通信,可实现多种通信协议,方便连接各种上位机设备。
● 宽工作电压,低消耗电流。
● 零位可设定,安装方便,无需找零。
● 2路可编程开关输出信号,能轻松实现行程限位及安全保护功能。
维特森拥有从业13年磁编码器传感器技术研发团队,承接非标传感器编码器定制开发,自动化解决方案,欢迎来电咨询!技术相关:15513281670